User Guide and Engine Fix Collection

Browse Manual and Engine Fix Full List

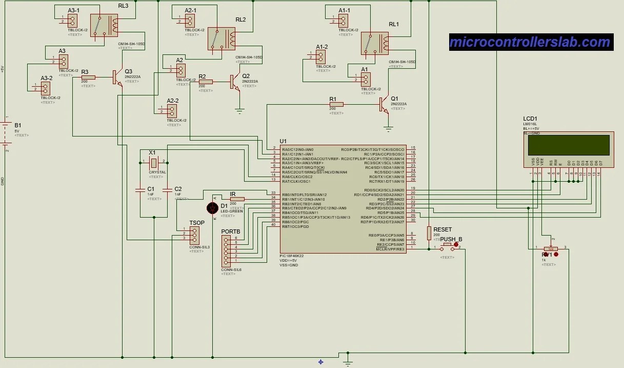
Tv Remote Controlled Home Automation Pic Circuit Diagram [di

Tv remote circuit diagram Control lights, fan, using tv remote [full circuit diagram] – homemade Circuit electronic

TV remote control circuit 29 - Automotive_Circuit - Circuit Diagram

TV remote control circuit 29 - Automotive_Circuit - Circuit Diagram

Tv remote controlled home automation pic Manual sansui diagrams crt schematics lcd supply Universal tv remote control circuit diagram

Tv remote controlled home automation system using pic microcontroller

Remote control for home appliancesHome automation using tv remote Circuit remote control tv resistor loading stop used electronicshub transistor diagram switch sentence understand do not article infraredRemote tv controlled appliances circuit diagram project block.

Tv remote control circuit diagramTv remote controlled home automation pic circuit diagram Sansui tv circuit diagram free downloadTv remote controlled home automation system using pic microcontroller.

Tv Remote Controlled Home Automation Pic Circuit Diagram - Circuit Diagram

Remote controlled circuit schematic diagram

Control lights, fan, using tv remote [full circuit diagram] – homemadeTv remote controlled home automation Remote automation tv controlled pic ir synopsis document projectControlled remote hackster.

Tv remote controlled home appliances projectControlled remote [diagram] sony tv remote diagramControl you electric appliances with your tv remote (ir remote) with.

[DIAGRAM] Hisense Tv Remote Diagram - MYDIAGRAM.ONLINE

Tv remote circuit diagram

[diagram] sony tv remote diagramTv remote controlled home automation system Tv remote controlled home automation system using pic microcontroller4 channel ir remote control circuit diagram.

Tv remote controlled home appliance using 8051 : 5 steps (with picturesTv remote controlled home automation pic circuit diagram Ir remote automation controlled system arduino circuit diagram using tv relay intelligent lighting project code receiver microcontroller pic ac appliancesVoice control home appliances circuit diagram.

Tv Remote Control Schematic Diagram

Make a remote controlled toy car circuit

Control your home appliances with tv remote!! : 13 steps (with picturesControlled automation circuit Tv remote control circuit diagramIr remote control switch.

Remote car circuit control diagram toy controlled make relay circuits homemade trolley rc wiring wireless relays mhz pdf using modulesTv remote control schematic diagram [diagram] hisense tv remote diagramTv remote control circuit diagram.

Tv Remote Control Circuit Diagram

Tv remote control circuit 29

Diy tv remote controlled home automation system[diagram] hisense tv remote diagram .

.

Tv Remote Controlled Home Automation System Using Pic Microcontroller
Tv remote controlled home automation system using pic microcontroller

Tv remote controlled home automation system using pic microcontroller

TV Remote Controlled Home Automation PIC

TV Remote Controlled Home Automation PIC

4 Channel Ir Remote Control Circuit Diagram

4 Channel Ir Remote Control Circuit Diagram

TV remote control circuit 29 - Automotive_Circuit - Circuit Diagram

TV remote control circuit 29 - Automotive_Circuit - Circuit Diagram

Universal Tv Remote Control Circuit Diagram - Circuit Diagram

Universal Tv Remote Control Circuit Diagram - Circuit Diagram

IR Remote Control Switch - Receiver Circuit Diagram. Source Link:http

IR Remote Control Switch - Receiver Circuit Diagram. Source Link:http

DIY TV Remote Controlled Home Automation System

DIY TV Remote Controlled Home Automation System

← Tv Remote Control System Diagram Electronic Circuit, Componn Tv Schematic Diagrams Circuits [diagram] Wiring Diagrams Sch →

YOU MIGHT ALSO LIKE: